This forum uses cookies
This forum makes use of cookies to store your login information if you are registered, and your last visit if you are not. Cookies are small text documents stored on your computer; the cookies set by this forum can only be used on this website and pose no security risk. Cookies on this forum also track the specific topics you have read and when you last read them. Please confirm whether you accept or reject these cookies being set.

A cookie will be stored in your browser regardless of choice to prevent you being asked this question again. You will be able to change your cookie settings at any time using the link in the footer.

Themabewertung:
  • 1 Bewertung(en) - 5 im Durchschnitt
  • 1
  • 2
  • 3
  • 4
  • 5
Kolben für Stirling fertigen, aber wie ?
Thunder Offline
Spendenmitglied
*****




Beiträge: 746
Registriert seit: Oct 2010
Bewertung: 139
Adresse: Weinheim

MyBB  Kolben für Stirling fertigen, aber wie ?
Moin Leute,

ich poste mal wieder was in meiner "Lieblingsrubrik" Zwinker

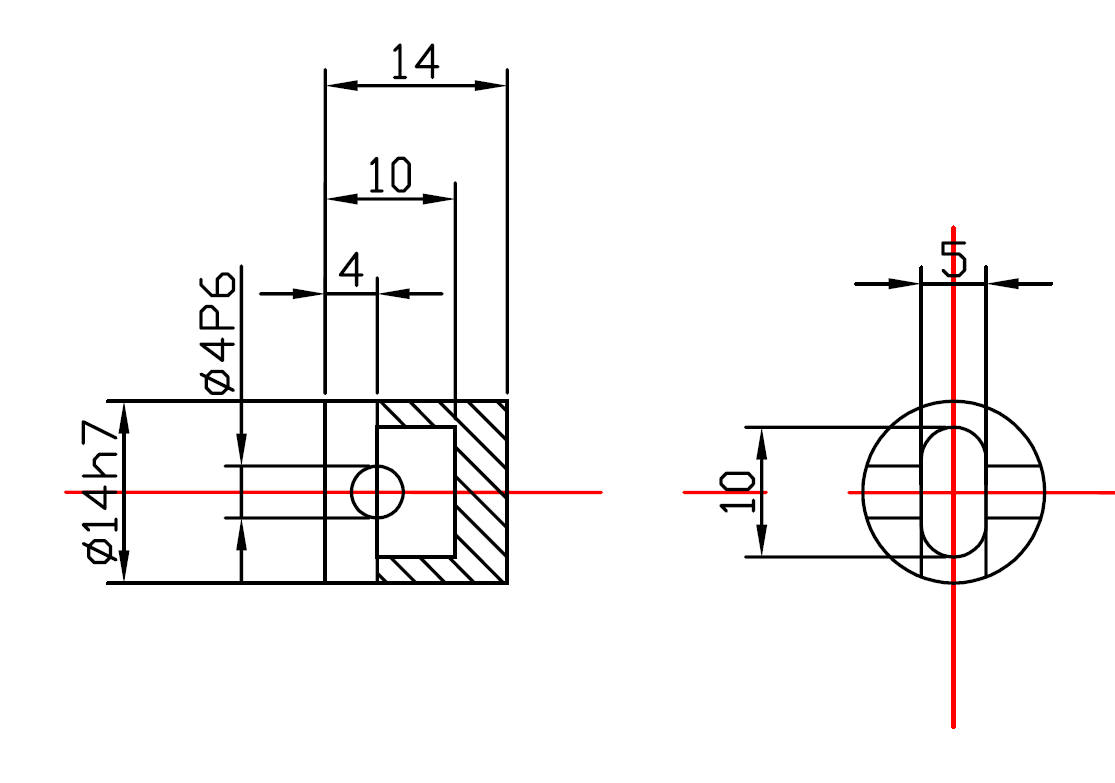
Erstmal versuche ich einen Stirlingmotor zu bauen, nach Bauplan und zwar einen ST90-2 (von Manfred). Also sicher kein zu anspruchsvolles Projekt. Der Motor lief auch schon, aber der von mir gefertigte Kolben war zu ungenau und klemmte immer wieder am Pleuel. Es geht um die Bohrung und die Ausfräsung. Diese müssen im 90° Winkel stehen und die Bohrung muss mittig sein (logisch).

Hier mal ein Auszug aus dem Plan was ich meine:
   

Ich benötige mal einen Denkanstoß wie mal das am geschicktesten macht. Eine Fräsmaschine steht zur Verfügung. Meine Idee ist das mit dem Rundtische ohne Umzuspannen zu machen, nur wie ?

Danke und Grüße
Lars



17.08.2014, 09:18
Hauptseite Diese Nachricht in einer Antwort zitieren
walter Offline
Filmadaptionen
*****




Beiträge: 5.170
Registriert seit: Aug 2007
Bewertung: 384
Adresse: 1040 Wien

MyBB  RE: Kolben für Stirling fertigen, aber wie ?
(17.08.2014, 09:18)Thunder schrieb: Meine Idee ist das mit dem Rundtisch ohne Umzuspannen zu machen, nur wie ?

Danke und Grüße
Lars

Servus Lars

Ich würde die Sache so angehen:

Zuerst den Rundtisch mit dem Puppitaster auszentrieren, was eigentlich klar ist.
Dann in einem Dreibackenfutter den Kolben einspannen und den Fräskopf um 90° Drehen, so daß dieser paralell zum Frästisch liegt.

Dann bohrst du, bzw. reibts du deine Bohrung 4 P6

Danach richtest du den Fräskopf wieder auf und fräst deine Nut.
Das würde ich allerdings nur dann machen wenn deine Maschine einen Passstift zum Einjustieren auf die senkrechte Fräsposition hat.

Wenn kein Passstift vorhanden, dann würde ichs eher umgekehrt machen, also zuerst die Nut, dann umlegen und Bohren.

Weil zu Ende müsstest du den Fräskopf mittels Uhr wieder in die korrekte Waagrechte einjustieren.

Ich hoffe mich klar und deutlich genug ausgedrückt zu haben.

Gruß
Walter

[Bild: Find_me_on_F.jpg]
17.08.2014, 11:06
Webseite des Benutzers besuchen Hauptseite Diese Nachricht in einer Antwort zitieren
Thunder Offline
Spendenmitglied
*****




Beiträge: 746
Registriert seit: Oct 2010
Bewertung: 139
Adresse: Weinheim

MyBB  RE: Kolben für Stirling fertigen, aber wie ?
Hi Walter,

eine solche Idee hatte ich auch schon. Nur Passstifte hat die Maschine leider nicht. Um die Maschine bei 90 sauber auszurichten bräuchte ich einen 90° Aufspannwinkel richtig? Oder gibt es einen Trick die Maschine mit Hausmitteln bei 90° auszurichten?

Grüße
Lars
17.08.2014, 11:16
Hauptseite Diese Nachricht in einer Antwort zitieren
walter Offline
Filmadaptionen
*****




Beiträge: 5.170
Registriert seit: Aug 2007
Bewertung: 384
Adresse: 1040 Wien

MyBB  RE: Kolben für Stirling fertigen, aber wie ?
(17.08.2014, 11:16)Thunder schrieb: Oder gibt es einen Trick die Maschine mit Hausmitteln bei 90° auszurichten?

Grüße
Lars

Du hast doch das aufgespannte Backenfutter, das ist zwar nicht so lang wie ein Winkel aber mit dem Puppitaster müsste das doch hinbekommen zu sein.

L.G.

Walter


[Bild: Find_me_on_F.jpg]
17.08.2014, 11:22
Webseite des Benutzers besuchen Hauptseite Diese Nachricht in einer Antwort zitieren
mech1 Offline
Spendenmitglied
*****




Beiträge: 607
Registriert seit: Jun 2012
Bewertung: 61
Adresse: Graz 8041

MyBB  RE: Kolben für Stirling fertigen, aber wie ?
Hallo Lars,

welchen Schraubstock hast du an der Fräsmaschine zur Verfügung?

welchen Rundtisch hast du?

Hast du ein geschliffenes Prisma, ev mit Spannbügel??

Gruß
Werner

.
Steel can be any shape you want if you are skilled enough, and any shape but the one you want if you are not. (Robert M. Pirsig)
18.08.2014, 08:16
Hauptseite Diese Nachricht in einer Antwort zitieren
Thunder Offline
Spendenmitglied
*****




Beiträge: 746
Registriert seit: Oct 2010
Bewertung: 139
Adresse: Weinheim

MyBB  RE: Kolben für Stirling fertigen, aber wie ?
Hallo Werner,

ich habe einen 100mm Niederzug Schraubstock und ein 150Vertex Rundtisch mit aufgeflanschtem 125er 3 Backen Futtter. Prisma mit Spanbügel hätte ich auch.


Grüße
Lars
18.08.2014, 15:24
Hauptseite Diese Nachricht in einer Antwort zitieren
mech1 Offline
Spendenmitglied
*****




Beiträge: 607
Registriert seit: Jun 2012
Bewertung: 61
Adresse: Graz 8041

MyBB  RE: Kolben für Stirling fertigen, aber wie ?
Hallo Lars,

der Niederzugschraubstock wäre meine erste Wahl. Da dieser ja rundum geschliffen ist, kannst du den auch seitlich liegend aufspannen.

Voraussetzung für folgende Möglichkeit: du kannst den Kolben aus Stangenmaterial fertigen.

- "Stangenlänge" ungefähr die Backenbreite des Schraubstockes
- alle Dreharbeiten bis auf das Ablängen durchführen
- die vorgedrehte Stange im Niederzugschraubstock spannen. Wenn dieser ein eingearbeitetes Prisma hat, dieses verwenden, ansonst so spannen, dass der gedrehte Teil seitlich aus dem Schraubstock schaut. Idealerweise mit geschliffenen Unterlagen exakt waagrecht spannen.
- den Schraubstock auf dem Maschinentisch ausrichten und befestigen. Zuerst die Bohrung, da der Bohrer auf ganzer Bohrlänge gut geführt ist. Optimal wären zwei Anschlagleisten oder drei Anschlagstifte extra auf den Tisch zu klemmen, sodass du den Schraubstock ohne weiteres Ausrichten wieder exakt in die gleiche Position bringen kannst.
- Nullposition suchen (Kantentaster, Passstift+Edding, ...) und Bohrung bohren und reiben.
- danach das Werkstück nicht ausspannen! Nur den Schraubstock vom Tisch lösen und diesen um 90° gekippt wieder am Tisch niederspannen. Jetzt sollte die Unterseite des Kolbens nach oben schauen. Wenn du mit Anschlagleisten arbeitest, solltes du für einen Richtung schon die Nullposition haben.
- Tasche ausfräsen
- Kolben vom restlichen Material trennen (abstechen, sägen, ... was auch immer) und plandrehen
- Bier aufmachen

Das ganze hängt natürlichvon der Rechtwinkeligkeit des Schraubstockes ab, sollte aber auch bei Chinaware mehr als ausreichend sein.

Du kannst natürlich auch das Prisma ohne Spannbügel im Schraubstock zum Spannen des Rundmaterials verwenden und so wie oben verfahren

oder aber das Prisma mit dem Spannbügel und nur das Prisma mitsamt Werkstück in die zwei Bearbeitungspositionen bringen

Gruß
Werner

.
Steel can be any shape you want if you are skilled enough, and any shape but the one you want if you are not. (Robert M. Pirsig)
18.08.2014, 16:18
Hauptseite Diese Nachricht in einer Antwort zitieren
Thunder Offline
Spendenmitglied
*****




Beiträge: 746
Registriert seit: Oct 2010
Bewertung: 139
Adresse: Weinheim

MyBB  RE: Kolben für Stirling fertigen, aber wie ?
Hi Werner,

ich mußte deinen Vorschlag 3 mal lesen um es zu verstehen. Auf die Idee den Niederzug auf die Seite zu legen bin ich überhaupt nicht gekommen.Verlegen

Das werde ich mal ausprobieren, da mir das einfachste erscheint

Besten Dank für eure Hilfe

Grüße
Lars
18.08.2014, 17:37
Hauptseite Diese Nachricht in einer Antwort zitieren
mech1 Offline
Spendenmitglied
*****




Beiträge: 607
Registriert seit: Jun 2012
Bewertung: 61
Adresse: Graz 8041

MyBB  RE: Kolben für Stirling fertigen, aber wie ?
Hallo Lars,
(18.08.2014, 17:37)Thunder schrieb: ...
ich mußte deinen Vorschlag 3 mal lesen um es zu verstehen. ...

Habe leider (noch) keinen derartigen Schraubstock, sonst hätte ich das mit 2 Bildern erledigen können (wie ein altes Sprichwort ja sagt) Zwinker

Viel Erfolg,
Werner


.
Steel can be any shape you want if you are skilled enough, and any shape but the one you want if you are not. (Robert M. Pirsig)
18.08.2014, 21:11
Hauptseite Diese Nachricht in einer Antwort zitieren
LOBO Offline
Member
*




Beiträge: 138
Registriert seit: Jan 2013
Bewertung: 38
Adresse: Suhlendorf 29562

MyBB  RE: Kolben für Stirling fertigen, aber wie ?
Hallo Thunder
Du hast geschrieben, das Pleuel klemmt im Kolben, ...wie stark/breit ist dein Pleuel ...14

Eigentlich hat ein Pleulauge auf beiden Seiten einen Bund und kann somit nicht klemmen.
Sollte dein Pleuel ca. 5mm stark sein, würde ich empfehlen, die Ausfräsung im Kolben auf
6mm zu vergrößern und links/rechts vom Pleuelauge je eine Scheibe beizulegen.

"Was Klappert, klemmt nicht"...Zwinker

Gruß Wolf...
21.08.2014, 12:52
Hauptseite Diese Nachricht in einer Antwort zitieren


Möglicherweise verwandte Themen…
Thema Verfasser Antworten Ansichten Letzter Beitrag
Help Wie würdet ihr das fertigen ? bzw. Kann mir wer etwas hart löten ? walter 31 28.554 18.01.2021, 10:58
Letzter Beitrag: walter
Kaffee Wie würdet ihr das Fertigen ? walter 29 42.452 13.12.2016, 07:49
Letzter Beitrag: django013
Help Bohrfutter wechseln -aber wie? TassKaff 36 48.265 05.12.2013, 14:39
Letzter Beitrag: 4-ventiler
Hmmmm Langes M3 Innengewinde - aber wie??? Markus S 11 14.965 12.11.2010, 00:54
Letzter Beitrag: Balu
MyBB Nut einstechen aber tricky rossi_x 20 25.812 31.08.2010, 20:17
Letzter Beitrag: Gerald
MyBB Futterbacken aber welche ? Balu 8 9.482 07.07.2010, 20:27
Letzter Beitrag: Balu
Help Innen Konus fertigen??? werna 16 19.184 20.06.2010, 08:59
Letzter Beitrag: Schleibi
MyBB Drehmaschine aber welche? Jojo 22 24.653 29.01.2010, 01:31
Letzter Beitrag: Jojo



Benutzer, die gerade dieses Thema anschauen: 1 Gast/Gäste