gaunki schrieb:Warum du die pdf nicht öffnen kannst weis ich nicht.
Erstellt wurde die pdf micht acrobat9.
Vielleicht ist dein Reader eine zu alte Version für die Datei?
Hallo
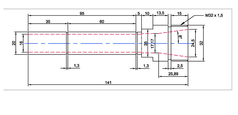
Um da Probleme zu verhindern, stelle ich die Pdf als Bild rein:
Jetzt ist sie für alle sichtbar.
Gruss
Walter



![[Bild: Find_me_on_F.jpg]](https://www.bastelstube.wien/plexxart/facebook/Find_me_on_F.jpg)

