This forum uses cookies
This forum makes use of cookies to store your login information if you are registered, and your last visit if you are not. Cookies are small text documents stored on your computer; the cookies set by this forum can only be used on this website and pose no security risk. Cookies on this forum also track the specific topics you have read and when you last read them. Please confirm whether you accept or reject these cookies being set.

A cookie will be stored in your browser regardless of choice to prevent you being asked this question again. You will be able to change your cookie settings at any time using the link in the footer.

Themabewertung:
  • 0 Bewertung(en) - 0 im Durchschnitt
  • 1
  • 2
  • 3
  • 4
  • 5
Quer-Zapfen Drehen
hfeller Offline
Junior Member
*




Beiträge: 4
Registriert seit: Jul 2015
Bewertung: 0
Adresse: Schwalmtal 41366

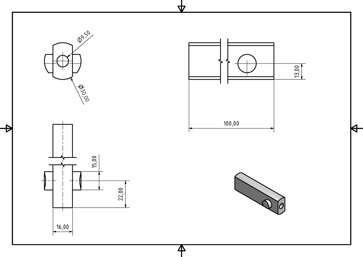
MyBB  Quer-Zapfen Drehen
Wie Drehe ich einen Quer-Zapfen an ein Rundstück???
An alle Profi Dreher/Fräser
ich möchte gerne eine kippbare Wellenführung aus einem Rundmaterial
machen dafür soll die Wellenführung zwei Lagerzapfen erhalten.

Siehe Zeichnung

MFG HGF


Angehängte Dateien
.pdf   Testt1111.pdf (Größe: 32,89 KB / Downloads: 486)
20.12.2015, 17:39
Hauptseite Diese Nachricht in einer Antwort zitieren
walter Offline
Filmadaptionen
*****




Beiträge: 5.170
Registriert seit: Aug 2007
Bewertung: 384
Adresse: 1040 Wien

MyBB  RE: Quer-Zapfen Drehen
Servus
Also ich verstehe dein Problem nicht ganz, vielleicht kannst du uns näher erläutern wo du gedanklich hängst ?

Hier mal ein Bild zur besseren Anschauung !

   

Gruß
Walter

[Bild: Find_me_on_F.jpg]
20.12.2015, 18:14
Webseite des Benutzers besuchen Hauptseite Diese Nachricht in einer Antwort zitieren
Balu Offline
Posting Freak
*




Beiträge: 1.466
Registriert seit: Feb 2009
Bewertung: 73
Adresse: 91126 Schwabach

MyBB  RE: Quer-Zapfen Drehen
Hallo MFG HGF,

Ist der Bolzen wirklich aus der Mitte raus? Das ist zum ausrichten nicht sooo toll-

Das zu Drehen geht schon, ist aber eine Riesenfummelei das auszurichten.
Planscheibe oder Aufspannscheibe ist meiner Meinung nach nötig.

Ich würde das zweiteilig ausführen. und von Vorne mit einer Madenschraube
oder einem Passstift sichern.
Alternativ Fräsen ( Ist vom Ausrichten auch nicht chique. Geht aber noch)
Weil, das mit sicherheit schneller geht als auf der Aufspannscheibe ausrichten. Nebenbei kann man das auch leicher austauschen.




Rechtschreibfehler sind geistiges Eigentum! Wer sie findet darf sie behalten!!

Das alte Problem gefällt mir nicht mehr,
kann ich bitte ein neues haben!
20.12.2015, 21:18
Hauptseite Diese Nachricht in einer Antwort zitieren
hfeller Offline
Junior Member
*




Beiträge: 4
Registriert seit: Jul 2015
Bewertung: 0
Adresse: Schwalmtal 41366

MyBB  RE: Quer-Zapfen Drehen
(20.12.2015, 21:18)Balu schrieb: Hallo MFG HGF,

Ist der Bolzen wirklich aus der Mitte raus? Das ist zum ausrichten nicht sooo toll-

Das zu Drehen geht schon, ist aber eine Riesenfummelei das auszurichten.
Planscheibe oder Aufspannscheibe ist meiner Meinung nach nötig.

Ich würde das zweiteilig ausführen. und von Vorne mit einer Madenschraube
oder einem Passstift sichern.
Alternativ Fräsen ( Ist vom Ausrichten auch nicht chique. Geht aber noch)
Weil, das mit sicherheit schneller geht als auf der Aufspannscheibe ausrichten. Nebenbei kann man das auch leicher austauschen.



Hallo danke für eure Antworten.
Also der Zapfen ist wirklich aus der Mitte!!
Ich würde dieses Teil gerne aus einem Stück fertigen!!!

Also mein Arbeitsplan würde so aussehen!!
Drehen
1.Rundstück Abplanen
2.Zentrieren
3.Loch durchbohren
Fräsen
4.Erste Seite Abfräsen bis auf großzügigen Vierkant da wo Zapfen hin soll.
5.Mit Spindelkopf Vierkant auf Maß abrunden
6.Werkstück wenden 2.Seite Abfräsen (siehe punkt 4) auf Parallelität achten.
7. Mit Spindelkopf Vierkant auf Maß abrunden

Und hoffen das meine Fräsflächen Parallel zu einander liegen,
und das meine Zapfen die gleiche rechtwinkelige Achse zu den
Fräsflächen hat.
MFG
HGF
20.12.2015, 21:24
Hauptseite Diese Nachricht in einer Antwort zitieren
Balu Offline
Posting Freak
*




Beiträge: 1.466
Registriert seit: Feb 2009
Bewertung: 73
Adresse: 91126 Schwabach

MyBB  RE: Quer-Zapfen Drehen
Hallo

Zitat:Ich würde dieses Teil gerne aus einem Stück fertigen!!!

Ok,
Zitat:Mit Spindelkopf Vierkant auf Maß abrunden
Hier würde ich jetzt vermuten du meinst die Drehmaschine?

Schon mal drüber nachgedacht das mit dem Rundtisch direkt rund zu fräsen?

Zitat:auf Parallelität achten.
Wenn die eine Seite schon gefräst ist, düfte das nicht das Problem werden.
ausserdem hast du dann ja eine Bezugsfläche.

Zeig uns mal Bilder von der Bearbeitung! Ct

Grüße Volker

Rechtschreibfehler sind geistiges Eigentum! Wer sie findet darf sie behalten!!

Das alte Problem gefällt mir nicht mehr,
kann ich bitte ein neues haben!
20.12.2015, 22:46
Hauptseite Diese Nachricht in einer Antwort zitieren
BarnyF Offline
Member
*




Beiträge: 706
Registriert seit: May 2013
Bewertung: 22
Adresse: 4600

MyBB  RE: Quer-Zapfen Drehen
Normalerweise ist das ein typischer Fall von eingeklebtem Bolzen.

Wenn es wirklich aus einem Stück werden muss würde das auf der Fräsmaschine mit einem Spindelwerkzeug machen.
Also zuerst den Bolzen vorfräsen und dann mit einem Spindelwerkzeug ausspindeln.

auf der 2. Seite kann man dann den Bolzen mittels Anschlag ausrichten und dann das Ganze passend dazu fräsen / spindeln.
21.12.2015, 13:10
Hauptseite Diese Nachricht in einer Antwort zitieren
walter Offline
Filmadaptionen
*****




Beiträge: 5.170
Registriert seit: Aug 2007
Bewertung: 384
Adresse: 1040 Wien

MyBB  RE: Quer-Zapfen Drehen
(20.12.2015, 21:24)hfeller schrieb: Also der Zapfen ist wirklich aus der Mitte!!
Ich würde dieses Teil gerne aus einem Stück fertigen!!!

Servus

Es will mir einfach nicht in den Kopf warum du das Teil aus einem Stück machen willst.
Niederzug Schraubstöcke haben ebenso ein Teil verbaut, gehört es dazu ?

Und wozu ist die Bohrung vorne ?
Die würde sich ja sehr gut für eine Madenschraube zum Fixieren eignen.

Gruß
Walter


[Bild: Find_me_on_F.jpg]
21.12.2015, 16:03
Webseite des Benutzers besuchen Hauptseite Diese Nachricht in einer Antwort zitieren
hfeller Offline
Junior Member
*




Beiträge: 4
Registriert seit: Jul 2015
Bewertung: 0
Adresse: Schwalmtal 41366

MyBB  RE: Quer-Zapfen Drehen
Hallo nochmal ,und danke für die Antworten.
Ich habe in meiner Zeichnung keinen Schnitt des Bauteiles gemacht,
sonst hätte man sehen können das die 9,5mm Bohrung durchgeht.
also wenn ich mit einem seperatem Bolzen gearbeitet hätte würde ich
meine 9,5mm Bohrung kreuzen da diese aber geschlossen sein soll
um einen 9,49mm Hubstange aufzunehmen, entschloss ich mich für
eine Führung mit außenliegenden Lagerzapfen
Gruß
HGF(Heinz-Gerd F.)
21.12.2015, 16:28
Hauptseite Diese Nachricht in einer Antwort zitieren
dampfmodell Offline
Member
*




Beiträge: 120
Registriert seit: Dec 2009
Bewertung: 6
Adresse: 2353 Guntramsdorf

MyBB  RE: Quer-Zapfen Drehen
Hallo,

ist doch ganz einfach.

Flachmaterial mit Übermaß, Bohrung 13mm bohren, Rundmaterial 13mm durchstecken, verlöten, ins 4-Backenfutter (mit Einzelbacken) einspannen, stirnseitig planen, stirnseitige Bohrung einbringen, 30mm Rundung drehen, abstechen (oder sägen), danach noch die Sägeseite planen, fertig

Oder wenn es unbedingt aus einem Stück sein muß:

Flachmaterial einsprechend stark, abfräsen bis auf ein Quadrat um die Querbolzenmitte (beidseitig), dann dieses Quadrat in die Drehbank spannen, gegenüberliegende Seite runddrehen, umspannen, andere Seite runddrehen, Flachmaterial spannen, planen, 30er Rundung andrehen

Gruß, Josef
25.12.2015, 20:00
Hauptseite Diese Nachricht in einer Antwort zitieren




Benutzer, die gerade dieses Thema anschauen: 1 Gast/Gäste