Bastelstube
Der Fehlerteufel hat wieder mal zugeschlagen, Wabeco Platine defekt ! - Druckversion

+- Bastelstube (https://www.bastelstube.wien/forum)
+-- Forum: Werkstatt (https://www.bastelstube.wien/forum/forumdisplay.php?fid=3)
+--- Forum: Kleine und große Probleme (https://www.bastelstube.wien/forum/forumdisplay.php?fid=72)
+--- Thema: Der Fehlerteufel hat wieder mal zugeschlagen, Wabeco Platine defekt ! (/showthread.php?tid=6661)

Seiten: 1 2 3


Der Fehlerteufel hat wieder mal zugeschlagen, Wabeco Platine defekt ! - walter - 16.09.2019

Servus Allemiteinand

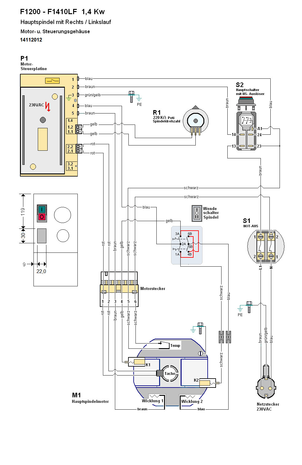
Es ist wieder mal soweit, meine Wabecofräse hat heute beim Werkzeug Kreissägeblatt blockiert und bei neuerlichen Einschalten läuft nichts mehr.
Den Hauptschalter habe ich schon gegen den der Drehbank ausgetauscht, der ist es definitiv nicht.
Es kann also nur mehr die Steuerplatine sein, was mich nicht freut  Ak

Jetzt weiß ich daß dieser Post kaum etwas zur Verbesserung der Platine beiträgt, aber ich wollt jetzt nur mal in der Runde fragen ob es einen hier in Wien gibt der sich gut genug auf dem Gebiet der Elektronik auskennt, um die Platine mal durchzumessen. 

Ein paar Bilder habe ich noch für euch

   

Bild aus dem Web

   

Bild aus dem Web

   

Meine Platine 

Momentan ist es so dass wenn ich den Hauptschalter betätige, dann macht die Steuerung ein Klacks und dann ist nichts. Dieses Klackern kommt von den Teil ganz rechts in der Mitte (Mittleres Bild)

Morgen werde ich auch noch bei Wabeco anrufen, um nachzufragen wie es denn mit einer Ersatzplatine ausschaut. 
Es bleibt spannend !

L.G.
Walter


RE: Der Fehlerteufel hat wieder mal zugeschlagen, Wabeco Platine defekt ! - wusel0464 - 16.09.2019

Hallo,

mach doch Bitte noch ein Bild von der Leiterseite der Platine. Manchmal brennen Leiterzüge bei zu viel Strom auch mal durch bevor irgendeine Sicherung anspricht.
Das Teil was ein klicken erzeugt ist ein Relais, zumindest tut es noch was.
Auf dem mittleren Bild in der Mitte ist es am Widerstand R24 auffällig schwarz.
Am besten kann vermutlich helfen der auch so eine Steuerung hat.
Noch was gefunden https://the-steamers.ch/union/index.php/zimi-steam/werkstatt-maschinen/fraesmaschinen/192-antriebsprobleme-wabeco-1210e

Leider aus Thüringen.

Gruß Frank


RE: Der Fehlerteufel hat wieder mal zugeschlagen, Wabeco Platine defekt ! - walter - 16.09.2019

Servus Frank

Danke für dein schnelles Feedback. Die Bilder 1 und 2 sind aus dem Web, nur Nummer 3 ist von mir.  Habe es jetzt nachträglich dazu geschrieben.

Heute bin ich schon zu Hause, morgen bekommst du dein gewünschtes Bild. Auch werde ich morgen versuchen mal alle Lötstellen nachzubruzeln, vielleicht hilft es ja.

Die Steamer Seite kannte ich schon, damals mit meinem anderen Platinenproblem.

Bin auch gespannt was Wabeco mir anbieten kann.

L.G.
Walter


RE: Der Fehlerteufel hat wieder mal zugeschlagen, Wabeco Platine defekt ! - FeldbahnFan - 16.09.2019

Hallo Walter,

wie Frank schon geschrieben hat, sind durchgebruzzelte Leiterbahnen und die Leistungshalbleiter bei Überlastungen immer die ersten Generalverdächtigen. Falls Leiterbahnen nicht ganz durchgeschossen sind, gibt es an entsprechenden Stellen oft mehr oder minder deutlich zu sehende Verfärbungen. Da hilft meist ein drüber gelöteter Draht.

Das "Klackern" des Relais könnte ein Hinweis auf eine zu niedrige Versorgungsspannung sein. Falls Du ein Multimeter zur Verfügung hast könntest Du versuchen die Versorgungsspannung zu messen. Ansonsten käme noch eine Widerstandsmessung der Kollektor-Emitter- / bzw. bei FETs der Source-Drain-Strecke in Frage. Dazu lötet man das fragliche Bauteil am besten aus, damit andere Bauteile der Platine keinen Einfluss auf das Messergebnis haben können.

Viel Glück beim Fehler suchen (finden).

Viele Grüße
Peter


RE: Der Fehlerteufel hat wieder mal zugeschlagen, Wabeco Platine defekt ! - Herbert1070 - 16.09.2019

Hallo Walter,
wenn du magst kannst du gerne zu mir in die Firma kommen mit der Leiterplatte. Wir können ja mal schauen ob wir was finden.

Du hast ja meine Nummer ruf mich bitte vorher an damit ich auch sicher in der Firma bin.

LG

Herbert



RE: Der Fehlerteufel hat wieder mal zugeschlagen, Wabeco Platine defekt ! - Nicolas - 16.09.2019

(16.09.2019, 20:51)Herbert1070 schrieb: [...] mit der Leiterplatte [...]

Guten Abend zusammen,

wenn Du nicht gerade mit dem Fahrrad unterwegs bist, würde ich den ganzen Kopf einpacken. Fehlersuche geht doch deutlich angenehmer, wenn man notfalls unter Last gucken und messen kann.

Viele Grüße
Nicolas


RE: Der Fehlerteufel hat wieder mal zugeschlagen, Wabeco Platine defekt ! - sepp222 - 16.09.2019

Bei meiner 11200 hatte ich das gleiche Problem.Einschalten und nur ein Klick.Habe die Leiterplatte kontrolliert,einige Bahnen 
mit einem Kupferdraht verstärkt,die meisten Lötstellen nachgelötet.Aber der Hauptfehler war ein Temp.Sensor welcher im 
Motor steckte,er hatte nur 1 Anschlusskabel.Nachdem ich im Vielfachstecker eine Brücke eingebaut habe welche den Sensor
überbrückt läuft die Maschine wieder ohne Thermoschutz.Habe den kaputten Sensor zerlegt,war nur ein Eisenkern mit dünner Kupferspule.Aber meine 750W Maschine wird nicht geschunden.
Hatte schnell ein Angebot für eine Elektronik und Motor.
                                                                              Gruß Hans


RE: Der Fehlerteufel hat wieder mal zugeschlagen, Wabeco Platine defekt ! - walter - 17.09.2019

Servus Allmiteinand

Vielen Dank für alle die sich hier mit Kommentaren beteiligen !! dankeschoen
Heute schaut die Sache schon etwas besser aus !!

Zur Information an jene die meine Gerätschaft nicht so gut kennen. Ich besitze eine Wabeco Fräse 1200 E + eine Drehbank 4000E.

Beide Maschinen haben die gleiche Elektronik samt Motor verbaut. So tue ich mir jetzt leichter bei der Fehlersuche. Heute habe ich also zu Testzwecken die Platine der Drehmaschine in die Fräse eingebaut und die Platine der Fräse in die Drehmaschine.

Das Resultat war: Fräse läuft nicht und Drehmaschine läuft.

Was heißt, es kann die Platine nicht sein weil diese ja in der Drehmaschine funktioniert. Jetzt bin ich also bei diesem Posting angelangt, vielen Dank in diesem Sinne für den Input !! dankeschoen

(16.09.2019, 22:43)sepp222 schrieb: Bei meiner 11200 hatte ich das gleiche Problem.Einschalten und nur ein Klick.Habe die Leiterplatte kontrolliert,einige Bahnen 
mit einem Kupferdraht verstärkt,die meisten Lötstellen nachgelötet.Aber der Hauptfehler war ein Temp.Sensor welcher im 
Motor steckte,er hatte nur 1 Anschlusskabel.Nachdem ich im Vielfachstecker eine Brücke eingebaut habe welche den Sensor
ersetzt läuft die Maschine wieder ohne Thermoschutz.Habe den kaputten Sensor zerlegt,war nur ein Eisenkern mit dünner Kupferspule.Aber meine 750W Maschine wird nicht geschunden.
Hatte schnell ein Angebot für eine Elektronik und Motor.
                                                                              Gruß Hans

   

@ Servus Hans
Wie hast du das jetzt genau gemacht, einfach beim Motorstecker die Anschlüsse 5 und 6 verbunden also kurzgeschlossen ?

Herbert1070 schrieb:Hallo Walter,
wenn du magst kannst du gerne zu mir in die Firma kommen mit der Leiterplatte. Wir können ja mal schauen ob wir was finden.

Du hast ja meine Nummer ruf mich bitte vorher an damit ich auch sicher in der Firma bin.

LG

Herbert

@Herbert
Auch dir vielen Dank für das Angebot, aber nachdem die Platine ja in Ordnung ist, werde ich dich nicht besuchen. 

Vielen Dank euch allen !!  dankeschoen

L.G.
Walter


RE: Der Fehlerteufel hat wieder mal zugeschlagen, Wabeco Platine defekt ! - walter - 17.09.2019

Servus 
Kleines Update.....

Habe nun den ganzen Fräskopf zerlegt um zu dem Wärmesensor zu gelangen. 
Leider muss man dabei den Motor zerlegen. 

Jetzt habe ich das nächste Problem, es sind hier Schrauben verbaut wo ich die Köpfe nicht zuordnen kann.

   

Hat denn einer von euch schon mal so einen Schraubenkopf gesehen und wenn ja wie ist der Suchbegriff dafür.

dankeschoen

L.G.
Walter


RE: Der Fehlerteufel hat wieder mal zugeschlagen, Wabeco Platine defekt ! - deckel fp1 - 17.09.2019

Mahlzeit Walter, die schrauben sind eine Eigenentwicklung von AEG, und der passende Schraubendreher nennt sich ( Bundschraubendreher BUSD )

Siehe unteren Link

https://shop.seipp-gmbh.de/products/bundschraubendreher-busd-schwarz 

Ich hoffe das ich dir damit ein wenig  weiterhelfen konnte.

Gruß
Willi